پیام فرستادن

صدها یواندا، تغییر ناب.

انتخاب Yuanda به معنای قابل اعتماد است.

این گروه به ساخت فرهنگ شرکتی اهمیت می دهد و دارای سه مفهوم ارزشی "مفهوم توسعه"، "شرکت مردم مدار" و "کیفیت زندگی شرکت است"

خانه محصولاتشیر دروازه فلنج دار

فشار سوپاپ دروازه فلنج دار فولادی فورج A105 1.6/2.5/4.0/6.4mpa ساقه بالارونده Dn150

گواهی
چین China • Yuanda Valve Group Co., Ltd. گواهینامه ها
چین China • Yuanda Valve Group Co., Ltd. گواهینامه ها
چت IM آنلاین در حال حاضر

فشار سوپاپ دروازه فلنج دار فولادی فورج A105 1.6/2.5/4.0/6.4mpa ساقه بالارونده Dn150

A105 Forged Steel Flanged Gate Valve Pressure 1.6/2.5/4.0/6.4mpa Rising Stem Dn150
A105 Forged Steel Flanged Gate Valve Pressure 1.6/2.5/4.0/6.4mpa Rising Stem Dn150 A105 Forged Steel Flanged Gate Valve Pressure 1.6/2.5/4.0/6.4mpa Rising Stem Dn150 A105 Forged Steel Flanged Gate Valve Pressure 1.6/2.5/4.0/6.4mpa Rising Stem Dn150

تصویر بزرگ :  فشار سوپاپ دروازه فلنج دار فولادی فورج A105 1.6/2.5/4.0/6.4mpa ساقه بالارونده Dn150

جزئیات محصول:
محل منبع: چین
نام تجاری: Yuancheng
شماره مدل: A105 Z41H
پرداخت:
مقدار حداقل تعداد سفارش: 100 عدد
قیمت: Negotiable
جزئیات بسته بندی: جعبه چوبی 1200*1100*1100
زمان تحویل: 5-8 روز کاری
شرایط پرداخت: T/T
قابلیت ارائه: 100000 عدد در سال
توضیحات محصول جزئیات
نام محصول: شیر دروازه فلنج دار اندازه: 1/2 "~ 2"
تایپ کنید: os&y، ساقه در حال افزایش متوسط: گاز نفت آب
جنس بدنه: فولاد کربن رنگ: درخواست مشتری
ارتباط: انتهای فلنج فشار: فشار بالا
برجسته:

شیر دروازه ای فلنج دار فولادی فورج شده a105

,

شیر دروازه ای فلنج دار فولادی فورج شده روغنی

,

شیر دروازه ای فلنج دار dn150

دریچه دروازه ای فلنج دار با ساقه فورج فورج شده فشار قوی 1.6/2.5/4.0/6.4 مگاپاسکال

 

 

استفاده

 

شیر دروازه فولادی فورج شده به شیر دروازه ای اطلاق می شود که بدنه شیر تحمل فشار و کاپوت آن فورج شده است.جهت حرکت قسمت های باز و بسته شدن شیر دروازه فولادی فورج شده عمود بر جهت سیال است.شیر دروازه فولادی فورج شده فقط می تواند به طور کامل باز و بسته شود و نمی توان آن را تنظیم یا گاز داد.این سری از شیرها عمدتاً در صنایع نفت، صنایع شیمیایی، نیروگاه ها و سایر صنایع برای قطع یا اتصال خط لوله و حفظ عملکرد عادی سیستم استفاده می شود.

 

اصل کار

 

بسته شدن سوپاپ: چرخ دستی یا سایر وسایل محرک را در جهت عقربه های ساعت بچرخانید و مهره میله سوپاپ میله سوپاپ را به سمت پایین می راند تا دریچه بسته شود.

باز شدن سوپاپ: چرخ دستی یا سایر دستگاه های محرک را در خلاف جهت عقربه های ساعت بچرخانید و مهره میله سوپاپ میله سوپاپ را به سمت بالا می راند تا دریچه باز شود.

 

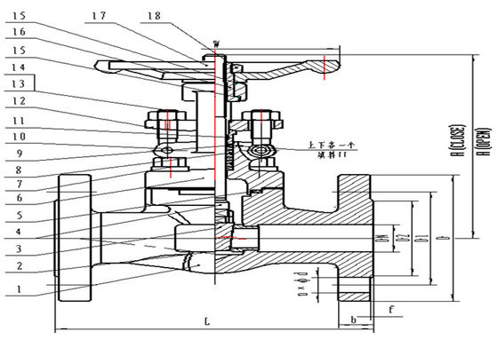
ویژگی های ساختاری

 

1. مهر و موم ساقه سوپاپ از طریق طراحی مهر و موم دوگانه بسته بندی + مهر و موم بالایی تحقق می یابد.
2 میله سوپاپ و رام در یک ساختار "t" متصل شده اند که نصب آن آسان است.علاوه بر این، سر میله سوپاپ به شکل کروی طراحی شده است، به طوری که هنگام بسته شدن شیر، میله سوپاپ و رام در تماس نقطه ای قرار می گیرند، با عملکرد خود مرکز.
3 بدنه سوپاپ ساختار شکاف را برای درک هدایت ضربه قوچ اتخاذ می کند و اصطکاک بین قوچ و حلقه آب بندی صندلی سوپاپ در طول فرآیند باز و بسته شدن کاهش می یابد.
4 بدنه و کاپوت سوپاپ باید با سطح شیار و بند به هم متصل شوند، که می تواند گسترش و تغییر شکل فشار اضافی واشر مارپیچی فلزی تحت بارگذاری پیش بار را کاهش دهد.
5 صندلی سوپاپ ساختار انبساط را برای اطمینان از تناسب فشرده و مؤثر اتخاذ می کند.
6 اتصال متحرک توسط پیچ، مهره و پین به هم متصل می شود.دارای مزایای نصب راحت، ساختار ساده، پایداری قوی و عمر طولانی است.

 

جنس قطعات اصلی

 

 

خیر نام مواد
1 بدن A105N A350 LF2 A182 F11 A182 F22 A182 F304 A182 F316 A182 F304L A182 F316L
2 صندلی 2Cr13/STL A182 F304/STL A182 F316/STL A182 F304L/STL A182 F316L/STL
3 دیسک 2Cr13/STL A182 F304/STL A182 F316/STL A182 F304L/STL A182 F316L/STL
4 ساقه 1Cr13 A276 304 A276 316 A276 304L A276 316L
5 واشر 201 + گرافیت انعطاف پذیر / 304 + گرافیت انعطاف پذیر
6 کاپوت A105N A350 LF2 A182 F11 A182 F22 A182 F304 A182 F316 A182 F304L A182 F316L
7 پیچ A193 B7 A193 B7 A193 B16 A193 B16 A193 B8 A193 B8M A193 B8M A193 B8M
8 بسته بندی گرافیت انعطاف پذیر
9 بسته بندی بسته بندی سیم فولادی (304 + گرافیت انعطاف پذیر)
10 سنجاق 45
11 غده بسته بندی 2Cr13 2Cr13 2Cr13 2Cr13 A276 304 A276 316 A276 304L A276 316L
12 بشقاب پرس بسته بندی A105N A350 LF2 A182 F11 A182 F22 A182 F304 A182 F316 A182 F304L A182 F316L
13 مهره A194 2H A194 2H A194 2H A194 2H A194 8M A194 8M A194 8M A194 8M
14 پیچ A193 B7 A193 B7 A193 B7 A193 B7 A193 B8 A193 B8M A193 B8M A193 B8M
15 شیم 65 میلیون
16 مهره ساقه ای 35/1Cr13
17 چرخ دستی آهن چکش خوار
18 مهره قفلی A194 2H A194 8M

 

محدوده متوسط ​​و دمای قابل اجرا مواد پوسته

 

جنس بدنه A105N A350 LF2 A182 F11/F22 A182 F304/F316 A182 F304L A182 F316L
دمای مناسب (℃) -29 تا 425 -46 تا 345 -29 تا 538 -29 تا 538 -29 تا 425 -29 در 450
متوسط آب، بخار، روغن و غیره دمای پایین، آب، بخار، محصولات نفتی، گاز طبیعی و غیره آب، بخار، فرآورده های نفتی، گاز طبیعی و غیره آب، بخار، فرآورده های نفتی، گاز طبیعی و غیره

توجه: هنگامی که محیط قابل اشتعال و انفجار است، دمای کار سیستم خط لوله باید محدود باشد.

 

ابعاد اتصال اصلی و ابعاد کلی

 

 

 

DN15 × DN50، PN16ابعاد اتصال اصلی و ابعاد مرزی شیر دروازه فلنج فولادی آهنگری
DN L D D1 D2 ب f n-φd H(بستن) H(OPEN) دبلیو
15 130 95 65 45 16 2 4-14 142 158 100
20 150 105 75 58 18 2 4-14 144 159.5 100
25 160 115 85 68 18 2 4-14 170 191 120
32 180 140 100 78 18 2 4-18 199 255.5 160
40 200 150 110 88 18 2 4-18 214 248 160
50 250 165 125 102 18 2 4-18 244.5 286.5 180
 
DN15 × DN50، PN25ابعاد اتصال اصلی و ابعاد مرزی شیر دروازه فلنج فولادی آهنگری
NPS L D D1 D2 ب f n-φd H(بستن) H(OPEN) دبلیو
1/2 130 95 65 45 16 2 4-14 142 158 100
3/4 150 105 75 58 18 2 4-14 144 159.5 100
1 160 115 85 68 18 2 4-14 170 191 120
1-1/4 180 140 100 78 18 2 4-18 199 255.5 160
1-1/2 200 150 110 88 18 2 4-18 214 248 160
2 250 165 125 102 20 2 4-18 244.5 286.5 180
 
DN15 × DN50، PN40ابعاد اتصال اصلی و ابعاد مرزی شیر دروازه فلنج فولادی آهنگری
NPS L D D1 D2 D3 ب f f1 n-φd H(بستن) H(OPEN) دبلیو
1/2 130 95 65 45 40 16 2 4 4-14 142 158 100
3/4 150 105 75 58 51 18 2 4 4-14 144 159.5 100
1 160 115 85 68 58 18 2 4 4-14 170 191 120
1-1/4 180 140 100 78 66 18 2 4 4-18 199 255.5 160
1-1/2 200 150 110 88 76 18 3 4 4-18 214 248 160
2 250 165 125 102 88 20 3 4 4-18 244.5 286.5 180
 
DN15 ~DN50, PN63ابعاد اتصال اصلی و ابعاد مرزی شیر دروازه فلنج فولادی آهنگری
NPS L D D1 D2 D3 ب f f1 n-φd H(بستن) H(OPEN) دبلیو
1/2 170 105 75 45 40 20 2 4 4-14 142 158 100
3/4 190 130 90 58 51 22 2 4 4-18 144 159.5 100
1 210 140 100 68 58 24 2 4 4-18 170 191 120
1-1/4 230 155 110 78 66 26 2 4 4-22 199 255.5 160
1-1/2 240 170 125 88 76 28 3 4 4-22 214 248 160
2 250 180 135 102 88 26 3 4 4-22 244.5 286.5 180
 
DN15 × DN50، PN100ابعاد اتصال اصلی و ابعاد مرزی شیر دروازه فلنج فولادی آهنگری
NPS L D D1 D2 D3 ب f f1 n-φd H(بستن) H(OPEN) دبلیو
1/2 170 105 75 45 40 20 2 4 4-14 142 158 100
3/4 190 130 90 58 51 22 2 4 4-18 144 159.5 100
1 210 140 100 68 58 24 2 4 4-18 170 191 120
1-1/4 230 155 110 78 66 26 2 4 4-22 199 255.5 160
1-1/2 240 170 125 88 76 28 3 4 4-22 214 248 160
2 250 195 145 102 88 30 3 4 4-26 244.5 286.5 180
 
 

فشار سوپاپ دروازه فلنج دار فولادی فورج A105 1.6/2.5/4.0/6.4mpa ساقه بالارونده Dn150 0فشار سوپاپ دروازه فلنج دار فولادی فورج A105 1.6/2.5/4.0/6.4mpa ساقه بالارونده Dn150 1

 

اطلاعات تماس
China • Yuanda Valve Group Co., Ltd.

تماس با شخص: Ms. Ada Chen

ارسال درخواست خود را به طور مستقیم به ما (0 / 3000)